Tay co thuỷ lực là sản phẩm được thiết kế và cấu tạo từ hộp chứa lò xo thuỷ lực giúp nó có thể co kéo dễ dàng nhằm giảm thiểu tối đa lực tác động từ bên ngoài gây nên. Tác dụng của chúng là bảo vệ cửa, chống va đập tốt hơn, giúp gia tăng thời gian sử dụng cửa. Sau đây, chúng tôi sẽ cùng các bạn tìm hiểu về tay co thủy lực có điểm dừng và cách chỉnh tay co thủy lực như thế nào cho đúng.
Tay co thủy lực có điểm dừng là gì ?
Tay co thuỷ lực được chia thành 2 loại :
– Tay co thủy lực có điểm dừng là tay co có thiết kế dừng ở điểm góc 90 độ. Khi sử dụng ở mốc quá 90 độ thì cửa sẽ dừng lại và cửa chưa đến góc 90 độ thì sẽ không có điểm dừng nào cả.
– Tay co không có điểm dừng là sản phẩm không có bất kỳ điểm dừng nào nó sẽ tự động đóng lại sau khi cửa được kéo ra
Chọn mua tay co thủy lực có điểm dừng như thế nào?
Trên thị trường hiện nay có không ít những mẫu mã tay co thuỷ lực nhưng chúng đều có chung 1 điểm đó là cấu tạo và tác dụng như nhau. Vậy chọn mua tay co thuỷ lực nào là tốt? Điều này phụ thuộc vào nhu cầu sử dụng cụ thể của từng người.
Như thông tin phía trên, hầu hết các tay co thuỷ lực đều có cấu tạo và tác dụng như nhau. Điều các bạn nên lưu tâm là chọn mua tay co thuỷ lực sao cho phù hợp với cánh cửa của bạn muốn dùng.
Tay co thuỷ lực hiện nay được phân ra loại khác nhau tuỳ theo áp lực và tải trọng mà chúng có thể chịu được. Cửa càng nặng thì lực đẩy càng mạnh nên các bạn chọn mua sao cho phù hợp nhất với nhu cầu sử dụng của bạn nhé.

>>>Link sản phẩm: Tay co thủy lực cửa ra vào ZUDISI
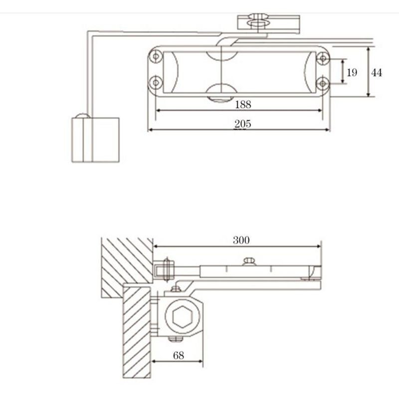
Trong số các sản phẩm được khách hàng ưa chuộng hiện nay, tay co thủy lực có điểm dừng ZUDISI là 1 sản phẩm đáng để các bạn lựa chọn. Thiết bị có góc mở tối đa 180 độ cùng với độ rộng tối đa của cánh là 900mm.
Trọng lượng tối đa cánh 45kg với chất liệu nhôm bền bỉ sẽ là sản phẩm rất đáng để các bạn lưu tâm. Hiện mức giá của tay co này chỉ có giá là 175.000đ
Hướng dẫn cách chỉnh tay co thuỷ lực
Để chỉnh tay co thuỷ lực, chúng ta cần chuẩn bị các dụng cụ như sau: Súng bắn vít ( hoặc to vít ) Cờ lê và thước đo .
Tiến hành lắp đặt : Đầu tiên chúng ta dùng thước đo đánh dấu kích thước bắt tay co theo hộp chứa hệ thống của thuỷ lực ( với hộp chứa hệ thống chúng ta sẽ bắn bắt 4 con ốc chia đều 2 bên cánh của hộp chứa. Tiếp theo bắt cánh tay thuỷ lực bắn vắt vít cố định 2 con vít 2 bên.
Sau đó, bạn chỉnh tay thuỷ lực ghép với nhau từ cánh tay thuỷ lực và hộp chứa hệ thống rồi vặn ốc cố định 2 tay nối lại với nhau. Bước sau, bạn tiến hành chỉnh tốc độ dùng tô vít tinh chỉnh 2 con ốc ở bên cạnh sườn hộp hệ thống.

Cách chỉnh tay co thủy lực có điểm dừng
Đối với tay co có điểm dừng, các bạn vặn ốc tốc độ 1 ra, vô, vận tốc cửa chạy từ vị trí 90 độ đến 20 độ với thời gian khoảng 9 giây là đúng. Vặn ốc tốc độ số 2 ra hoặc vô và quan sát vận tốc chạy từ vị trí 20 độ đến 0 độ với thời gian khoảng 5 giây là đúng. ( Điều chỉnh tốc độ 2 luôn luôn chậm hơn tốc độ 1, mỗi lần vặn ốc điều chỉnh không quá ¼ vòng ). Vặn xuôi chiều kim đồng hồ là giảm tốc độ, ngược chiều kim đồng hồ là tăng tốc độ.

Trên đây là những chia sẻ của Vinet về tay co thủy lực có điểm dừng cũng như cách chỉnh tay co thủy lực. Hi vọng những thông tin trong bài viết đã giúp cho các bạn có được những quyết định mua hàng đúng với nhu cầu. Nếu có bất cứ thắc mắc nào về sản phẩm, vui lòng liên hệ với chúng tôi tại website: vinet.com.vn.
